글쓴이 글 목록: dswirekr

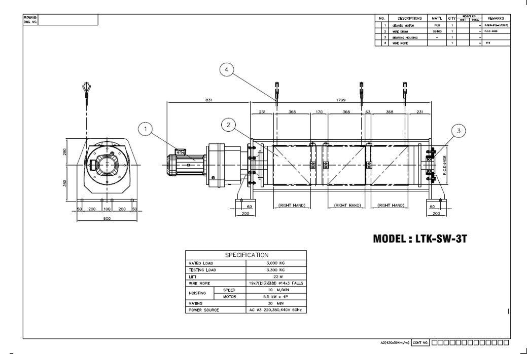
3TON/5TON WINCH ASSEMBLY DWG Model

LTK-SW-3T LTK-SW-5T자체 제작 특수용도 윈치 도면입니다.

 

품명은 LTK-SW-3T 및 LTK-SW-5T입니다.

 

특수제작용 도면이기 때문에 제품 문의는 유선상으로 부탁드립니다.

3TON WINCH ASSEMBLY DWG Model

5TON WINCH ASSEMBLY DWG Model (1)

첨부된 pdf 파일을 통해 도면을 고화질로 보실 수 있습니다.

(위 3TON WINCH ASSEMBLY DWG Model 및 5TON WINCH ASSEMBLY DWG Model (1)파일 클릭)